Корпус Cisa (Чиза) врезного замка BLOCKATOR 56.426

Бренд
Материал
Сталь
Цвет
Хром
Стоимость BYN
100.91 руб.
Стоимость RUB
2803.14 ₽
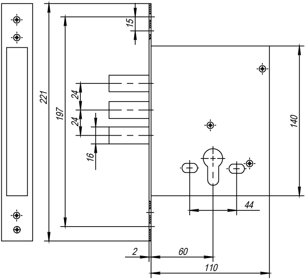
Корпус замка Cisa 56.436  Blockator под ручку - экономичный вариант цилиндрового замка для стальных дверей. Оцинкованный корпус замка выдерживает 240 часов в соляном тумане. Замок имеет 3 стальных ригеля диаметром 16 мм, отверстия для монтажа броненакладки, пластину типа «шеврон» для защиты внутренних механизмов замка.
Замок популярного тип-размера, 4 класс безапасности.
  • ПроизводительCISA
  • СтранаИталия
  • Вес1100 г
  • Гарантия2 года
  • Габариты инд уп-ки (ШхГхВ)26x26x19 мм
  • Тип упаковкиПакет
  • МатериалСталь
  • ЦветХром
  • Тип дверейДля входных дверей
  • Вес двериНе имеет значения
  • Толщина двериДля любой толщины двери
  • СерияBlockator
  • Способ установкиВрезной
  • Тип механизма секретностиЦилиндровый
  • Тип замкаДополнительный (верхний)
  • Кол-во в упаковке1
  • Модель56.426
  • Вылет ригеля36,5 мм
  • Количество комбинацийНет (корпус замка)
  • Класс безопасности4
  • Бэксет (удаление ключевого отверстия)60 мм
  • Размер ригеля16 мм
  • Количество ригелей3
  • Наличие лицевой планкиСо съемной планкой
  • Наличие выводов для тягНет
  • Отверстия под стяжкиНет
  • ЗадвижкаНет